Description du produit
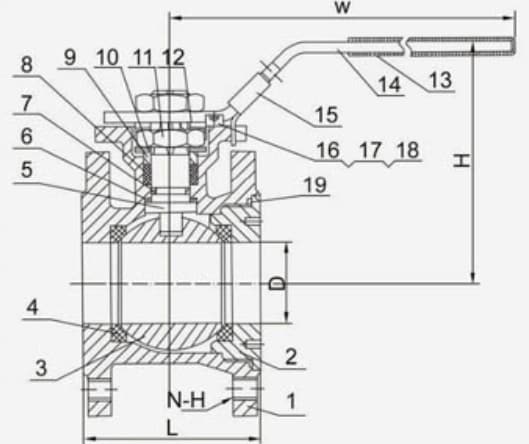
Cette vanne à boisseau sphérique monobloc haut de gamme est fabriquée en acier inoxydable 1.4408 (AISI 316/CF8M), offrant une résistance exceptionnelle à la corrosion et une intégrité structurelle optimale pour les applications industrielles exigeantes. Sa conception à passage intégral garantit un débit maximal avec une perte de charge minimale, tandis que son corps compact de type wafer permet une installation peu encombrante entre les brides de canalisation. Conçue pour une pression nominale de PN60 (60 bar), cette vanne allie une construction monobloc robuste à des raccords à brides pour une performance fiable dans les secteurs de la chimie, de la pétrochimie, du traitement de l'eau, de l'agroalimentaire, de la pharmacie et du milieu marin. Disponible dans des diamètres allant de 1/2" à 4", elle est fabriquée selon les normes API 598 et EN12266 et peut être équipée en option d'une platine de montage ISO 5211 pour une commande automatisée. Sa conception durable et sa facilité d'installation en font la solution idéale pour les applications haute pression nécessitant une régulation de débit fiable et une grande durabilité.




Taiwantrade.com and iDealEZ.com uses analytical cookies and other tracking technologies to offer you the best possible user experience. By using our website, you acknowledge and agree to our cookie policy.
For more information on cookies or changing your cookies settings, read Taiwantrade & iDealEZ’s Privacy Policy.